0 引言
目前,模块化多电平换流器(modular multilevel converter,MMC)具备控制灵活性、结构易拓展、谐波含量低等特点,被广泛认为可以应用于城市电网互联、偏远地区供电和清洁能源远距离大容量输电等场景[1],为实现2030年前碳达峰和2060年前碳中和的能源转型目标提供技术支撑[2]。国家电网有限公司于2017年启动了张北可再生能源柔性直流电网示范工程[3-4],该工程已于2020年投运。
电力电子设备带来的宽频振荡问题是新型电力系统建设中面临的突出挑战,给电力系统安全运行带来严重影响[5-8]。2015年7月,新疆哈密风火打捆经LCC换流站送出系统中,就出现了风电场引起的大范围次同步振荡,导致数百千米外的火电机组轴系扭振保护动作。目前工程上只能采用次同步谐波监测和源头治理的措施来保障风电场的正常运行,即在系统发生次同步振荡时切除相关风电机组[9]。在此之后,中国电力研究单位开展了关于直驱、双馈等风力发电机组的频率稳定性分析研究,针对存在负阻尼等不稳定因素的风电机组控制器做了阻抗重塑[10-14]的设计,以消除风机产生功率振荡的风险。
在目前已经投运的柔性直流输电工程中,也曾发生宽频振荡现象。渝鄂背靠背柔直联网工程在运行初期,鄂侧就发生了1810 Hz的高频谐振,渝侧也发生过700 Hz和665 Hz的高频谐振[15-16]。南澳工程调试期间中,随着风电场输出功率的逐步增大,交流电流/电压中出现了频率约为30 Hz的次同步振荡问题,并最终导致柔直阀的保护动作跳闸[17-18]。文献[19]针对渝鄂工程的控制策略进行了分析,认为控制链路延时和电网电压前馈策略是影响MMC换流站中高频阻抗特性的关键因素。文献[20]针对南澳工程分析并推导了次同步振荡电流在MMC-HVDC系统中的分布及传播机制,提出了一种基于附加次同步振荡电流抑制的送端换流站控制策略。
在张北新能源发电经柔直电网送出工程设计初期,相关单位就同步开展了风电—柔直系统的耦合的宽频振荡分析研究[21-24]。在工程投运以前的硬件在环试验阶段,也发现了直驱风电场与柔直换流站之间存在次同步振荡问题。文献[25]对硬件在环试验中出现的次同步振荡现象做了分析,发现当系统出现次同步振荡时,会在交流电流中出现次、超同步振荡频率分量。基于这些研究,相关研究单位分别提出了使用附加频变增益控制[26]、阻尼控制器[27]、虚拟串联阻抗[25]、虚拟并联阻抗[28]等多种技术手段来抑制次同步振荡发生。
自2020年投运以来,张北县中都站和康保县康巴诺尔站仍然多次发生功率振荡现象。张北中都站新能源接入系统发生多次58 Hz的超同步振荡,在220 kV电压和电流中均有体现,从电压和电流时域波形的包络线可以看出有低频振荡,从傅里叶频谱分析中可以看出有58 Hz振荡,其中电流占基波电流的比值较电压大。而康巴诺尔新能源场站发生的则是44 Hz次同步、56 Hz超同步振荡,其电压电流波形与中都站振荡类似。目前工程运行中采用的方法是:发生振荡后,通过降低新能源出力的方式,使振荡消失。这样做的结果是严重限制了风电场的功率外送水平,无法充分利用新能源基地产生的电力资源。
本文对2022年上半年某日发生的一次振荡现场的录波数据进行了分析,观察到一些尚未被关注的振荡细节:发现单相交流电压的56.25 Hz振荡,在dq旋转坐标系下表现为d轴分量和q轴分量的6.25 Hz振荡;同时在直流电压和直流电流录波数据中发现了相同频率的振荡波形。究其原因,在柔性直流输电系统中,直流电压是由受端MMC来控制的;直流线路传输功率是由送端换流站送出的。直流电流随功率和直流电压而自然分布,但直流电流本身处于非直接控制状态,这势必会造成在电感、电容占绝对主导成分的柔性直流输电系统中,功率的波动引发直流电流的波动,进而波动的直流电流导致具有显著“低阻尼”特性的柔性直流输电系统发生振荡现象。
1 康保换流站控制策略简述
柔直换流阀采用如图2所示的V/f控制策略[29],其通过调节MMC输出的dq轴电流实现对PCC点电压Ud和Uq的控制。V/f控制策略输出的信号
都用来控制图1中的MMC内电势。在很多文章中,都认为存在
的关系,站控系统的输出电压直接决定了MMC的内电势,并且认为MMC的上桥臂和下桥臂的内电势相等,即图1中虚线所连接的两个点等电位,存在“ 电气虚接” 现象。目前,MMC的内电势输出是在电气虚接的前提假设下,依靠最近电平逼近调制( nearest level modulation,NLM)来实现的[30]。

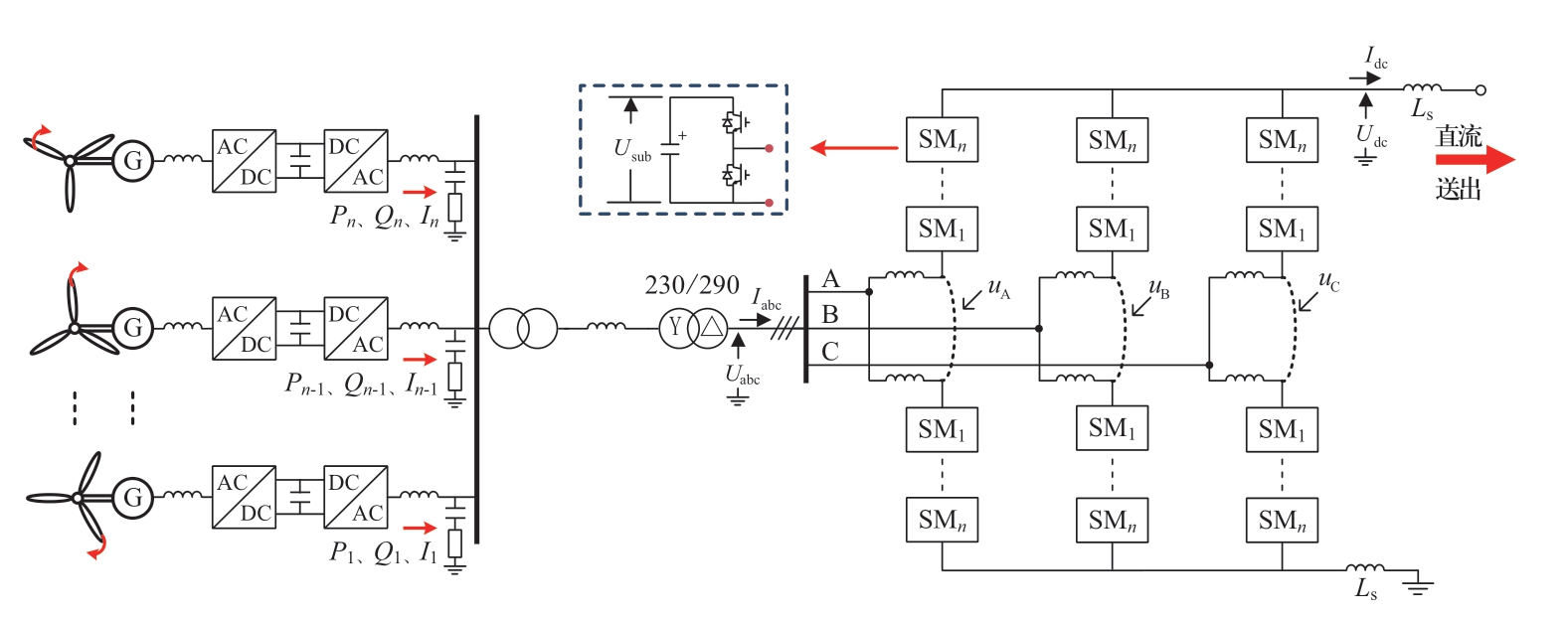
图1 康保站接线示意图
Fig.1 Electrical diagram of Kangbao station

图2 康保站柔直换流阀V/f控制框图
Fig.2 Block diagram of V/f control in Kangbao station
现行的NLM调制中,A相上下桥臂的输出子模块数按照式(1)和式(2)计算。

式中:N是子模块数;usub是子模块的电压。这里面用到了如式(3)的前提假设。
2 工程录波分析
2.1 工程录波原始波形分析
在实际应用中,一般认为usub是固定值。当直流电压(即子模块电压)被稳定控制时,这种观点是没有问题的。然而,在2022年上半年某日,康保站在运行中出现了如图3—图4所示的直流电压、电流波动。

图3 直流侧电压波形
Fig.3 DC voltage curve

图4 直流侧电流波形
Fig.4 DC current curve
与此同时,交流电压和交流电流的波动工程录波波形如图5—图6所示。

图5 交流侧电流波形
Fig.5 AC current curve

图6 交流侧电压波形
Fig.6 AC voltage curve
观察功率时,会发现直流功率和交流功率都出现了6.25 Hz的振荡,波形如图7所示。

图7 直流侧和交流侧的有功功率
Fig.7 Active power in both AC and DC side
从现场录波波形来看,交流电压和交流电流的包络线上出现了一个约6.25 Hz的振荡。如果对单相电流和单相电压波形做傅里叶分析,会得到43.75 Hz和56.25 Hz的谐波分量,如图8和图9所示。需要注意的是,录波数据显示振荡频率约为56.25 Hz,而不是56 Hz。实际上,振荡频率的辨识精度与进行傅里叶变换的数据量是有直接关系的。例如,用总长度为1 s的波形数据进行数字傅里叶分析,得到的频率分辨率就为1 Hz。从本文后续的分析来看,不论是56 Hz还是56.25 Hz振荡,都是由相同的原因造成的。

图8 电流的频域分析
Fig.8 Frequency analysis of current

图9 电压的频域分析
Fig.9 Frequency analysis of voltage
在图5和图6所示的直流电流和直流电压上也存在一个6.25 Hz的振荡,风机变流器和柔直换流阀的控制系统都是在dq旋转坐标系下设计的,需要把ABC三相的电压、电流转换到dq坐标系下进行观察转换到dq坐标系下进行观察。
2.2 dq旋转坐标系下的波形分析
ABC自然坐标系与dq同步旋转坐标系之间的变换关系为

其中:

令θ=ω t+ θ0,其中ω=2 π×50=314.159 26 rad/s。通过选取合适的θ0,使用式(4)所示的变换,就可以获得dq旋转坐标系下的电压和电流分量。如图10和图11所示。

图10 同步旋转坐标系下的电流波形
Fig.10 Current curve in synchronous rotating coordinate

图11 同步旋转坐标系下的电压波形
Fig.11 Voltage curve in synchronous rotating coordinate
当视角切换到dq坐标系下以后,就会看到电压和电流都存在6.25 Hz的振荡。柔直V/f控制的控制目标是令Ud恒定,Uq恒等于0。而在上图中,Uq出现了振荡,其正好对应于Iq的振荡。同时,在图12中可以看到,Id的振荡频率与直流电流的振荡频率是相同的。可以与图7进行对比,在交流电压和直流电压不存在波动(或小幅波动时),交流电流d轴分量和直流电流的波动,就代表了交流功率和直流功率的波动。

图12 交流电流Id与直流电流的对比
Fig.12 Comparing of AC current(Id)and DC current
通过对比观察,Uq的相位超前于Iq的相位图2的控制框图中,Uq是由Iq来控制的,也就是说控制系统感受到Uq的偏移后,调节Iq的输出去抑制Uq。从图13波形对比来看,这个控制环节是起作用了的。

图13 交流电流Iq与交流电压Uq的对比
Fig.13 Comparing of Iq and Uq
2.3 交、直流电压对比分析
一种可能的原因是,交流电压的输出和直流电压的输出都受到子模块电压的影响。直流电压等于N ·u sub;同时目前NLM调制中,交流电压调制只更改njn 和njp 的比例关系,在控制系统中存在n jn+njp=N的限制,因此,三相交流电压输出的有效值也受到usub的影响。
在稳态运行时,图2中的交流内电势uA应为
而事实上,假定交流内电势uA 是由NLM调制出来的,可以写为式(6),其中
是与NLM调制数有关系的函数。
在稳态工作时,usub为恒定,uA和nA(t)都是按照正弦曲线变化的。当usub不为恒定时,如果usub的值出现一个低频(6.25 Hz)的波动,就会造成NLM调制出来的uA的包络线上会有6.25 Hz的波动。对于三相电压,可以通过式(7)来反映包络线的幅值。
其中uα和uβ是由ABC三相电压的瞬时值经Clark变换获得的,Clark变换如式(8)所示。

由图14可以看出交流电压有效值与直流电压的波动规律是一致的,这两个电压都受到子模块电压的影响。虽然现场的录波数据并未记录换流阀子模块电压值,但可以从电磁暂态仿真模型中可以看到子模块电容电压的振荡,具体分析在仿真验证中详述。

图14 交流电压与直流电压的对比
Fig.14 Comparing of AC voltage and DC voltage
3 振荡原因分析
现有柔性直流输电系统中,直流电流随有功功率和直流电压而自然分布,但归根结底直流电流处于非直接控制状态。这就造成在电感、电容占绝对主导成分的柔性直流输电系统中,功率的波动必然引发直流电流的波动。具体说来,当风电场功率快速上升时,近风场换流站不能及时将能量送出,堆积在近风场换流站的能量将导致子模块电容电压骤升,进而造成近风场换流站出口电压瞬间升高,与远风场换流站形成站间直流电压差Δu。
柔性直流输电系统站间简化示意图如图15所示,Le1、Le2分别为近风场换流站和远风场换流站等效电感;Ce1、Ce2分别为近风场换流站和远风场换流站等效电容;idc为站间直流电流。换流站之间的电压差为

图15 柔性直流输电系统站间简化示意图
Fig.15 Simplified diagram between stations of the MMC-HVDC
图15中,令Le、Ce分别为站间回路等效电感和等效电容,则在Δu激励下,有
由式(10)可知,站间直流电压差Δu将产生波动的直流电流。
柔性直流输电系统中,直流电流处于非直接控制状态,这就容易引起波动的直流电流在站间直流通路上形成LC振荡,进而引发MMC子模块电容电压产生振荡。
MMC中,直流侧出口电压与桥臂内电势电压通过MMC子模块电容连接。根据最近电平逼近调制原理,波动的子模块电容电压势必会导致MMC桥臂内电势电压,进而通过交流系统功率传输原理造成交流系统产生振荡现象。
4 仿真验证
为验证本文对风电柔直汇集系统次、超同步振荡产生原因分析的正确性,根据当日工程现场单极运行主电路实际参数,基于PSCAD/EMTDC仿真平台搭建了如图16所示的风电柔直汇集系统。风电柔直系统主电路参数如表1所示,近端换流站S1实现风电汇集和送出,将交流形式的风能转换为直流电能;经直流传输后,远端换流站S2将直流电能转换为交流电能,实现风电的消纳。
表1 风电柔直系统主电路参数
Table 1 Parameters of wind power and flexible DC collection system


图16 风电柔直汇集系统示意图
Fig.16 Schematic diagram of wind power and flexible DC collection system
为模拟风电时变出力致使系统工作点快速迁移,2 s时刻,仿真系统将有功功率参考值从0 MW调整为300 MW。直流电压测量滤波器的特征频率设置为fn=6.25 Hz,得到的仿真结果如下。
如图17所示,2 s时刻,近风电场换流站S1汇集的有功功率从0 MW迅速增加,于2.25 s上升至设定值300 MW。此间,换流站S1汇集有功功率的增加速率为1200 MW/s,系统工作点因风电时变出力而快速迁移。

图17 换流站S1汇集功率曲线
Fig.17 Power curve of S1
风电场有功功率快速上升时,近风电场换流站S1汇集的有功功率迅速增加。如图18所示,柔直系统不能及时从换流站S1抽取功率而送往远端,近风电场换流站S1因能量堆积而造成直流出口电压迅速升高,进而致使换流站S1和S2直流出口电压差迅速增大。骤升的站间直流电压差会引起直流电流产生振荡,进而根据电磁波传输原理,振荡的直流电流导致站间直流电压产生振荡。

图18 直流电压
Fig.18 DC voltage curve
如图19所示,振荡的直流电流通过直流通路流过MMC子模块电容,从而导致MMC子模块电容电压产生振荡。

图19 桥臂子模块电容电压
Fig.19 Submodule’s voltage curve
MMC中,直流侧出口电压与桥臂内电势电压通过MMC子模块电容连接。根据MMC最近电平逼近调制原理,MMC桥臂内电势电压将随子模块电容电压的振荡而产生同频率振荡。如图20所示,根据交流系统功率传输原理,振荡的MMC桥臂内电势电压映射到交流系统,最终导致风电场交流电压产生振荡。

图20 风电侧交流电压
Fig.20 AC Voltage curve of wind power side
5 讨论
工程实际表明,不但新能源通过柔直送出系统产生了振荡现象,而且柔性直流输电系统本身也发生了各种各样的振荡现象。国内外专家学者针对柔性直流输电系统振荡问题做了深入研究,取得了丰硕成果,但柔性直流输电工程中的振荡现象并未根除,且时有发生。
究其原因,在柔性直流输电系统中,直流电压处于直接控制状态,有功功率来源于新能源场站或也处于直接控制状态。直流电流随功率和直流电压而自然分布,但直流电流本身处于非直接控制状态。在电感、电容占绝对主导成分的柔性直流输电系统中,这势必会造成功率的波动引发直流电流的波动,进而波动的直流电流通过直流通路导致MMC子模块电容电压产生波动,最终造成具有显著“低阻尼”特性的柔性直流输电系统发生振荡现象。
若能突破现有柔性直流输电系统控制方法藩篱,提出柔性直流输电系统控制新方法,实现柔性直流输电系统直流电流的直接控制,可以预见,柔性直流输电系统的振荡问题将不再棘手。
作为中国构建具有新能源更强消纳能力的新型电力系统,助力实现“碳达峰、碳中和”目标的重要发展方向之一,柔性直流输电系统振荡问题的解决势在必行,且亟待突破。
6 结论
本文简述了张北工程风电柔直汇集系统控制方式,研究了张北工程次、超同步振荡工程录波数据,分析了风电柔直汇集系统次、超同步振荡产生原因,并通过仿真验证了分析的正确性。本文得到如下结论。
1)目前虽然已经做了很多关于稳定运行工作点的稳定性分析,但是风电场有功功率快速上升时,风电柔直汇集系统工作点快速迁移,仍然易引发次、超同步振荡现象。
2)风电柔直汇集系统因工作点快速迁移而发生次、超同步振荡现象时,直流电压、直流电流、换流阀桥臂子模块电容电压和交流电流具有相同振荡特征。
3)柔性直流输电系统振荡与直流电流振荡直接相关,后续应对直流电流加以优化控制,使得MMC子模块电容电压处于平稳运行状态。
参考文献
[1]HE J H,CHEN K A,LI M,et al.Active injection protection scheme for flexible HVDC grids based on amplitude of input impedance[J].Global Energy Interconnection,2021,4(6):532-542.
[2]郭贤珊,周杨,梅念,等.张北柔直电网的构建与特性分析[J].电网技术,2018,42(11):3698-3707.GUO Xianshan,ZHOU Yang,MEI Nian,et al.Construction and characteristic analysis of Zhangbei flexible DC grid[J].Power System Technology,2018,42(11):3698-3707(in Chinese).
[3]郭铭群,梅念,李探,等.±500 kV张北柔性直流电网工程系统设计[J].电网技术,2021,45(10):4194-4204.GUO Mingqun,MEI Nian,LI Tan,et al.System design of±500 kV Zhangbei VSC-based DC grid project[J].Power System Technology,2021,45(10):4194-4204(in Chinese).
[4]汤广福,王高勇,贺之渊,等.张北500 kV直流电网关键技术与设备研究[J].高电压技术,2018,44(7):2097-2106.TANG Guangfu,WANG Gaoyong,HE Zhiyuan,et al.Research on key technology and equipment for Zhangbei 500 kV DC grid[J].High Voltage Engineering,2018,44(7):2097-2106(in Chinese).
[5]马宁宁,谢小荣,贺静波,等.高比例新能源和电力电子设备电力系统的宽频振荡研究综述[J].中国电机工程学报,2020,40(15):4720-4732.MA Ningning,XIE Xiaorong,HE Jingbo,et al.Review of wide-band oscillation in renewable and power electronics highly integrated power systems[J].Proceedings of the CSEE,2020,40(15):4720-4732(in Chinese).
[6]张思彤,梁纪峰,马燕峰,等.直驱风电场经柔性直流输电并网的宽频振荡特性分析[J].电力系统保护与控制,2022,50(14):33-42.ZHANG Sitong,LIANG Jifeng,MA Yanfeng,et al.Broadband oscillation characteristics analysis of a VSC-HVDC connected direct drive wind farm[J].Power System Protection and Control,2022,50(14):33-42(in Chinese).
[7]辛保安,郭铭群,王绍武,等.适应大规模新能源友好送出的直流输电技术与工程实践[J].电力系统自动化,2021,45(22):1-8.XIN Baoan,GUO Mingqun,WANG Shaowu,et al.Friendly HVDC transmission technologies for large-scale renewable energy and their engineering practice[J].Automation of Electric Power Systems,2021,45(22):1-8(in Chinese).
[8]张建承,张甜甜,熊鸿韬,等.柔性励磁系统无功阻尼控制器参数整定方法及现场应用[J].电工技术学报,2022,37(17):4435-4445.ZHANG Jiancheng,ZHANG Tiantian,XIONG Hongtao,et al.Parameter setting method and field application of reactive power damping controller for flexible excitation system[J].Transactions of China Electrotechnical Society,2022,37(17):4435-4445(in Chinese).
[9]李明节.大规模特高压交直流混联电网特性分析与运行控制[J].电网技术,2016,40(4):985-991.LI Mingjie.Characteristic analysis and operational control of large-scale hybrid UHV AC/DC power grids[J].Power System Technology,2016,40(4):985-991(in Chinese).
[10]李光辉,王伟胜,刘纯,等.直驱风电场接入弱电网宽频带振荡机理与抑制方法(一):宽频带阻抗特性与振荡机理分析[J].中国电机工程学报,2019,39(22):6547-6562.LI Guanghui,WANG Weisheng,LIU Chun,et al.Mechanism analysis and suppression method of wideband oscillation of PMSG wind farms connected to weak grid(part Ⅰ):analysis of wideband impedance characteristics and oscillation mechanism[J].Proceedings of the CSEE,2019,39(22):6547-6562(in Chinese).
[11]李光辉,王伟胜,刘纯,等.直驱风电场接入弱电网宽频带振荡机理与抑制方法(二):基于阻抗重塑的宽频带振荡抑制方法[J].中国电机工程学报,2019,39(23):6908-6920.LI Guanghui,WANG Weisheng,LIU Chun,et al.Mechanism analysis and suppression method of wideband oscillation of PMSG wind farms connected to weak grid(part Ⅱ):suppression method of wideband oscillation based on impedance reshaping[J].Proceedings of the CSEE,2019,39(23):6908-6920(in Chinese).
[12]李光辉,王伟胜,张兴,等.双馈风电场并网次/超同步振荡建模与机理分析(二):阻抗特性与振荡机理分析[J].中国电机工程学报,2022,42(10):3614-3627.LI Guanghui,WANG Weisheng,ZHANG Xing,et al.Modeling and mechanism analysis of sub/super-synchronous oscillation of grid-connected DFIG wind farms(partⅡ):analysis of impedance characteristic and oscillation mechanism[J].Proceedings of the CSEE,2022,42(10):3614-3627(in Chinese).
[13]李光辉,王伟胜,张兴,等.双馈风电场并网次/超同步振荡建模与机理分析(一):考虑功率外环的阻抗建模[J].中国电机工程学报,2022,42(7):2438-2449.LI Guanghui,WANG Weisheng,ZHANG Xing,et al.Modeling and suppression method of sub/super-synchronous oscillation of grid-connected DFIG wind farms(Ⅰ):sequence impedance modeling and analysis of DFIG wind turbines considering power loop[J].Proceedings of the CSEE,2022,42(7):2438-2449(in Chinese).
[14]刘志坚,刘杰,李鹏程,等.基于虚拟电阻的双馈风机次同步振荡分数阶PI控制[J].电力工程技术,2022,41(5):12-20.LIU Zhijian,LIU Jie,LI Pengcheng,et al.Virtual resistancebased fractional-order PI control strategy for sub-synchronous oscillation in doubly-fed wind turbines[J].Electric Power Engineering Technology,2022,41(5):12-20(in Chinese).
[15]郭贤珊,刘泽洪,李云丰,等.柔性直流输电系统高频振荡特性分析及抑制策略研究[J].中国电机工程学报,2020,40(1):19-29.GUO Xianshan,LIU Zehong,LI Yunfeng,et al.Characteristic analysis of high-frequency resonance of flexible high voltage direct current and research on its damping control strategy[J].Proceedings of the CSEE,2020,40(1):19-29(in Chinese).
[16]潘尔生,乐波,梅念,等.±420kV中国渝鄂直流背靠背联网工程系统设计[J].电力系统自动化,2021,45(5):175-183.PAN Ersheng,YUE Bo,MEI Nian,et al.System design of±420kV chongqing-hubei back-to-back HVDC project of China[J].Automation of Electric Power Systems,2021,45(5):175-183(in Chinese).
[17]尹聪琦,谢小荣,刘辉,等.柔性直流输电系统振荡现象分析与控制方法综述[J].电网技术,2018,42(4):1117-1123.YIN Congqi,XIE Xiaorong,LIU Hui,et al.Analysis and control of the oscillation phenomenon in VSC-HVDC transmission system[J].Power System Technology,2018,42(4):1117-1123(in Chinese).
[18]魏伟,许树楷,李岩,等.南澳多端柔性直流输电示范工程系统调试[J].南方电网技术,2015,9(1):73-77.WEI Wei,XU Shukai,LI Yan,et al.The system commissioning of Nan’ao VSC-MTDC demonstration project[J].Southern Power System Technology,2015,9(1):73-77(in Chinese).
[19]李奇南,夏勇军,张晓林,等.渝鄂柔性直流输电系统中高频振荡影响因素及抑制策略[J].中国电力,2022,55(7):11-21.LI Qinan,XIA Yongjun,ZHANG Xiaolin,et al.Key factors of medium-high frequency oscillation in chongqing-hubei HVDC system and suppression strategies[J].Electric Power,2022,55(7):11-21(in Chinese).
[20]吕敬,董鹏,施刚,等.大型双馈风电场经MMC-HVDC并网的次同步振荡及其抑制[J].中国电机工程学报,2015,35(19):4852-4860.LÜ Jing,DONG Peng,SHI Gang,et al.Subsynchronous oscillation and its mitigation of mmc-based HVDC with large doubly-fed induction generator-based wind farm integration[J].Proceedings of the CSEE,2015,35(19):4852-4860(in Chinese).
[21]张帆,尹聪琦,袁豪,等.风电-柔直系统次同步振荡的耦合阻抗模型分析[J].南方电网技术,2022,16(3):24-31.ZHANG Fan,YIN Congqi,YUAN Hao,et al.Impedance coupling model based sub-synchronous oscillation analysis of wind farms connected to VSC-HVDC transmission system[J].Southern Power System Technology,2022,16(3):24-31(in Chinese).
[22]邵冰冰,赵书强,高本锋,等.多直驱风机经VSC-HVDC并网系统场内/场网次同步振荡特性分析[J].中国电机工程学报,2020,40(12):3835-3847.SHAO Bingbing,ZHAO Shuqiang,GAO Benfeng,et al.Inside-wind-farm/wind-farm-grid sub-synchronous oscillation characteristics analysis in multiple D-PMSGs interfaced with VSC-HVDC system[J].Proceedings of the CSEE,2020,40(12):3835-3847(in Chinese).
[23]宋斯珩,赵书强,邵冰冰,等.双馈风电场经柔直并网系统交互作用分析[J].太阳能学报,2021,42(4):409-416.SONG Siheng,ZHAO Shuqiang,SHAO Bingbing,et al.Interaction analysis of dfig-based wind farm integrated to grid through vsc-hvdc system[J].Acta Energiae Solaris Sinica,2021,42(4):409-416(in Chinese).
[24]赵书强,沈俊铃,邵冰冰.直驱风电场经柔直并网系统全运行区域次同步振荡特性分析[J].太阳能学报,2021,42(12):163-173.ZHAO Shuqiang,SHEN Junling,SHAO Bingbing.Subsynchronous oscillation characteristics analysis of gridconnected direct-drive wind farms via vsc-hvdc system under whole operation regions of d-pmsg[J].Acta Energiae Solaris Sinica,2021,42(12):163-173(in Chinese).
[25]郭贤珊,李云丰,谢欣涛,等.直驱风电场经柔直并网诱发的次同步振荡特性[J].中国电机工程学报,2020,40(4):1149-1160.GUO Xianshan,LI Yunfeng,XIE Xintao,et al.Subsynchronous oscillation characteristics caused by PMSGbased wind plant farm integrated via flexible HVDC system[J].Proceedings of the CSEE,2020,40(4):1149-1160(in Chinese).
[26]李景一,李浩志,尹聪琦,等.基于附加频变增益控制的风电-柔性直流输电系统次同步振荡抑制方法[J].电力自动化设备,2022,42(8):146-152.LI Jingyi,LI Haozhi,YIN Congqi,et al.Sub-synchronous oscillation mitigation method of wind power-flexible DC transmission system based on supplementary frequency dependent gain control[J].Electric Power Automation Equipment,2022,42(8):146-152(in Chinese).
[27]李浩志,李景一,杨建军,等.抑制风电-柔直外送系统次同步振荡的并联VSC型次同步阻尼控制器[J].电力自动化设备,2022,42(8):133-139.LI Haozhi,LI Jingyi,YANG Jianjun,et al.Shunt-VSC subsynchronous damping controller to suppress SSO in wind power connected by flexible DC sending system[J].Electric Power Automation Equipment,2022,42(8):133-139(in Chinese).
[28]李云丰,赵文广,孔明,等.直驱风电场经柔直并网的虚拟并联阻抗次同步振荡抑制策略[J].中国电机工程学报,2022,42(17):6326-6338.LI Yunfeng,ZHAO Wenguang,KONG Ming,et al.Virtual paralleled-impedance control strategy of flexible HVDC connecting to the PMSG-based wind farm for sub-synchronous oscillation suppression[J].Proceedings of the CSEE,2022,42(17):6326-6338(in Chinese).
[29]冯俊杰,傅闯,邹常跃,等.V/f控制下柔性直流换流器阻抗建模及中高频谐振特性分析[J].电力系统自动化,2022,46(4):143-152.FENG Junjie,FU Chuang,ZOU Changyue,et al.Impedance modeling and mid-and high-frequency resonance characteristic analysis for flexible DC converter with V/f control[J].Automation of Electric Power Systems,2022,46(4):143-152(in Chinese).
[30]管敏渊,徐政,屠卿瑞,等.模块化多电平换流器型直流输电的调制策略[J].电力系统自动化,2010,34(2):48-52.GUAN Minyuan,XU Zheng,TU Qingrui,et al.Nearest level modulation for modular multilevel converters in HVDC transmission[J].Automation of Electric Power Systems,2010,34(2):48-52(in Chinese).
Analysis of Sub/Super-synchronous Oscillation Between Wind Farm and MMC in Zhangbei Project
ZHENG Shaoming1,LIU Yimin1,DONG Peng1,LIN Chang2,JI Feng2,PEI Xiangyu3*
(1.North China Branch of State Grid Cooperation of China,Xicheng District,Beijing 100053,China;2.State Key Laboratory of Advanced Transmission Technology(State Grid Smart Grid Research Institute Co.,Ltd.),Changping District,Beijing 102209,China;3.School of Electrical &information Engineering,Changsha University of Science &Technology,Changsha 410114,Hunan Province,China)
Abstract: Since the operation of Zhangbei renewable energy flexible DC grid project,several times of sub/supersynchronous oscillation problems have occurred in AC/DC systems.In this paper,the AC/DC oscillation waveform data collected by on-site wave recording when the oscillation occurred on someday in 2022 is analyzed.The analysis of wave recording data shows that the sub(43.75 Hz)and super(56.25 Hz)synchronous oscillations on the AC side are all 6.25 Hz oscillations in dq coordinate system,and the 6.25 Hz oscillation frequency also appears on the DC side.It is preliminarily judged that the reason for the oscillation is that when the power of the wind farm changes rapidly,the sudden change of DC voltage between stations causes the DC current to oscillate,and the DC current causes the capacitor voltage of MMC sub-module to oscillate through the DC path,which is finally coupled to the AC system based on the operation principle of MMCs.Finally,the reason of sub/super synchronous oscillations in the wind-power collection system using the flexible DC transmission technology revealed,and verified by electromagnetic transient simulation.
Keywords: flexible DC transmission system;sub-synchronous oscillation;super-synchronous oscillation;low frequency oscillation;DC voltage control;recording data
文章编号:2096-5125(2023)06-0608-10
中图分类号:TM721
文献标志码:A
DOI:10.19705/j.cnki.issn2096-5125.2023.06.006
基金项目:国家重点研发计划(2020YFB1506600)。
National Key Research and Development Program of China(2020YFB1506600).
收稿日期:2022-12-22;修回日期:2023-02-11。

郑少明
作者简介:
郑少明(1983),男,博士,高级工程师,主要研究方向为电力系统保护与控制。
刘一民(1981),男,博士,教授级高级工程师,主要研究方向为电力系统保护与控制。
董鹏(1985),男,博士,高级工程师,主要研究方向为电力系统保护与控制。
裴翔羽(1986),男,博士,副研究员,硕士生导师,主要研究方向为柔性直流输电与直流电网技术。通信作者,E-mail:646888200@qq.com。